设为首页
加入收藏
联系我们
首页
|
文章
|
下载
|
图片
|
教程
|
邮箱
位置:
巴蜀风工作室
>>
图片
>> 更新列表
用户登陆
用户名:
密 码:
验证码:
忘记密码?
热门图片
开关晶体管桥直流伺服电...
OPA340构成的INA321/322...
INA321/322构成的电阻电...
由双宽带跨导型运算放大...
指触感应开关电路图
电动自行车36V蓄电池充电...
印相定时曝光器电路
防盗遥控门铃
推荐图片
开关晶体管桥直流伺服电...
OPA340构成的INA321/322...
INA321/322构成的电阻电...
由双宽带跨导型运算放大...
指触感应开关电路图
电动自行车36V蓄电池充电...
印相定时曝光器电路
防盗遥控门铃
网站统计
更新列表
无线电遥控电源插座电路
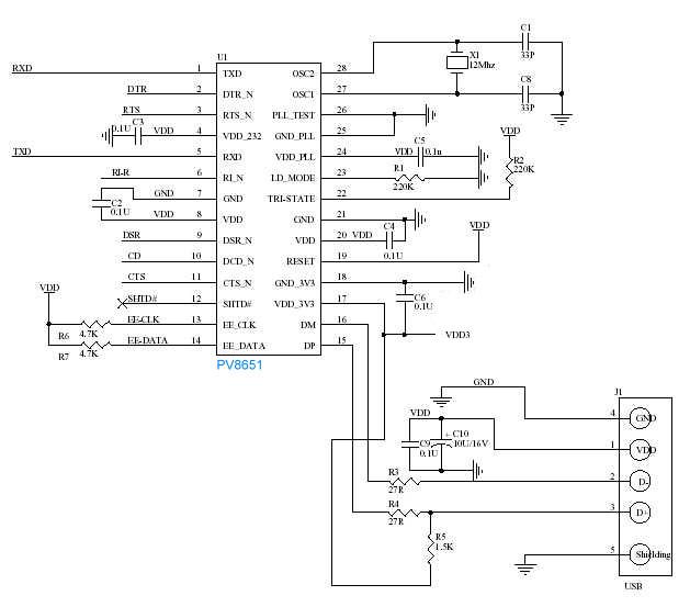
USB转RS232串口电路
使用数字电位器实现放大器偏移量的调节
使用数字电位器实现放大器增益调节
使用数字电位器实现带通、IGMF滤波器
共
25
张图片
20
张/页 页次:
2
/2
页
首页
上一页
下一页 尾页 转到:
图片搜索:
图片ID
图片标题
关 键 字
图片简介
添加用户
审核用户
图片点数
图片作者
所有栏目
电源电路
线性放大电路
通信电路
控制电路
检测电路
基础电路
光电应用电路
日常电器
信号产生
音频电路
遥控电路
传感器电路
数字电路